DESCRIPTION
Se reporter au DTC P2D5211.
Cliquer ici .gif)
CONSEIL:
Lorsque le DTC P2D5215 est enregistré, l'ECU de la batterie passe en mode de sécurité. En mode de sécurité, la température du liquide de refroidissement de la batterie est estimée à 80°C (176°F) par l'ECU de la batterie. Le mode de sécurité persiste jusqu'à ce qu'une condition de réussite soit détectée.
|
N° de DTC |
Objet de la détection |
Condition de détection de DTC |
Zone incriminée |
Indication d'avertissement |
|---|---|---|---|---|
|
P2D5215 |
Court-circuit à la batterie ou circuit ouvert du capteur de température "C" du liquide de refroidissement de châssis de batterie hybride/EV |
La tension de sortie du capteur de température du liquide de refroidissement de la batterie est supérieure à 4,91 V pendant 0,5 seconde minimum. (logique de détection à 1 cycle(s)) |
|
Témoin principal: s'allume |
DESCRIPTION DE LA COMMANDE
Le capteur de température du liquide de refroidissement de la batterie sert à contrôler la température du liquide de refroidissement de la batterie. Le capteur de température du liquide de refroidissement de la batterie possède une thermistance dont la résistance varie en fonction de la température du liquide de refroidissement de la batterie. La résistance de la thermistance augmente lorsque la température du liquide de refroidissement de la batterie est basse. La résistance diminue lorsque la température est élevée. Ces variations dans la résistance se reflètent dans la tension de sortie du capteur. L'ECU de la batterie contrôle la tension du capteur et se sert de cette valeur pour calculer la température du liquide de refroidissement de la batterie. Si la tension de sortie du capteur de température du liquide de refroidissement de la batterie s'écarte de la plage normale de fonctionnement, l'ECU de la batterie interprète cela comme un dysfonctionnement dans le circuit du capteur de température du liquide de refroidissement de la batterie et enregistre un DTC.
PERIODE TEST DE CONFIRMATION
CONSEIL:
|
Affichage GTS |
DESCRIPTION |
|---|---|
|
NORMAL |
|
|
ANORMAL |
|
|
NON TERMINE(E) |
|
CONSEIL:
SCHEMA DE CABLAGE
Se reporter au DTC P2D5211.
Cliquer ici .gif)
MESURE DE PRECAUTION / REMARQUE / CONSEIL
ATTENTION:
Se reporter aux mesures de précaution avant de vérifier le circuit haute tension.
Cliquer ici .gif)
REMARQUE:
Cliquer ici .gif)
Cliquer ici .gif)
CONSEIL:
En cas de débranchement et rebranchement de la batterie auxiliaire, une fonction d'apprentissage automatique termine l'apprentissage lorsque le système respectif est utilisé.
Cliquer ici .gif)
PROCÉDURE
|
1. |
RELEVER LA VALEUR INDIQUEE PAR LE GTS (CHECK FOR OPEN IN WIRE HARNESS) |
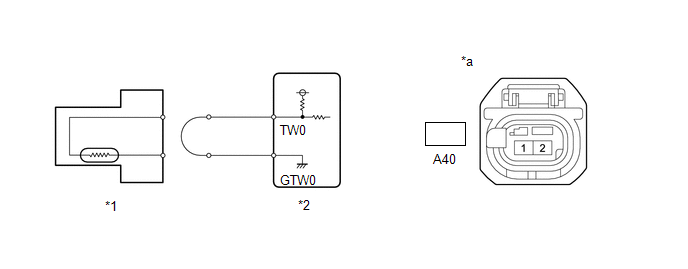
(a) Débrancher le connecteur du capteur de température du liquide de refroidissement de la batterie.
(b) Brancher les bornes 1 (GTW0) et 2 (TW0) du connecteur de capteur de température du liquide de refroidissement de la batterie côté faisceau de câbles.

|
*1 |
Capteur de température de liquide de refroidissement de la batterie |
*2 |
Ensemble d'ECU de la batterie (ensemble de batterie d'alimentation EV) |
|
*a |
Vue avant du connecteur côté faisceau de câbles (vers le capteur de température du liquide de refroidissement de la batterie) |
- |
- |
(c) En fonction de l'affichage du GTS, relever la Data List.
Powertrain > EV Battery > Data List
|
Affichage du tester |
|---|
|
Hybrid/EV Battery Coolant Temperature 1 |
(d) Rebrancher le connecteur du capteur de température du liquide de refroidissement de la batterie.
Résultat:
|
Résultat |
Passer au point |
|---|---|
|
La valeur de "Hybrid/EV Battery Coolant Temperature 1" est supérieure à 135°C (275°F) |
OK. |
|
Aucune des conditions ci-dessus n'est réunie |
NON OK |
| OK. | ![]() |
REMPLACER LE CAPTEUR DE TEMPERATURE DU LIQUIDE DE REFROIDISSEMENT DE LA BATTERIE |
|
|
2. |
VERIFIER LE FAISCEAU DE CABLES ET LE CONNECTEUR (CAPTEUR DE TEMPERATURE DU LIQUIDE DE REFROIDISSEMENT DE LA BATTERIE - ENSEMBLE DE BATTERIE D'ALIMENTATION EV) |
(a) Débrancher le connecteur du capteur de température du liquide de refroidissement de la batterie.
(b) Débrancher le connecteur de l'ensemble de batterie d'alimentation EV.
(c) Mesurer la résistance en fonction de la (des) valeur(s) indiquée(s) dans le tableau ci-dessous.
Résistance standard:
Cliquer sur Location & Routing(A40,A35) Cliquer sur Location & Routing(A40,A35) Cliquer sur Connector(A40) Cliquer sur Connector(A40) Cliquer sur Connector(A35) Cliquer sur Connector(A35)
|
Branchement du tester |
Condition |
Condition spécifiée |
|---|---|---|
|
A40-2 (TW0) - A35-5 (TW0) |
Toujours |
En dessous de 1 Ω |
|
A40-1 (GTW0) - A35-27 (GTW0) |
Toujours |
En dessous de 1 Ω |
|
A40-2 (TW0) ou A35-5 (TW0) - Autres bornes |
Toujours |
10 kΩ ou plus |
(d) Débrancher le connecteur de l'ensemble de batterie d'alimentation EV.
(e) Débrancher le connecteur du capteur de température du liquide de refroidissement de la batterie.
| OK. | ![]() |
REMPLACER L'ENSEMBLE D'ECU DE LA BATTERIE (ENSEMBLE DE BATTERIE D'ALIMENTATION EV) |
| NON OK | ![]() |
REPARER OU REMPLACER LE FAISCEAU DE CABLES OU LE CONNECTEUR |
Court-circuit à la masse du capteur de température "C" du liquide de refroidissement de châssis de batterie hybride/EV
Dysfonctionnement de la commande de décharge de batterie Hybride/EVBornes D'ecu
BORNES D'ECU ENSEMBLE DE COMBINE D'INSTRUMENTS
(a) Mesurer la tension et la résistance, et vérifier les impulsions en fonction de la (des) valeur(s) indiquée(s) dans le tableau ci-dessous.
N° de borne (symbole) Description de la borne
Condition Condition spécifiée
F10 ...
Tension intermittente du circuit de capteur de vitesse de roue avant droite
DESCRIPTION
Se reporter au DTC C050612.
Cliquer ici
N° de DTC
Objet de la détection
Condition de détection de DTC
...
Le pare-soleil de toit ne se déplace pas lorsque le contacteur de pare-soleil de toit est activé
DESCRIPTION Le sous-ensemble de mécanisme d'entraînement de toit ouvrant reçoit les signaux du contacteur et entraîne son moteur intégré. SCHEMA DE CABLAGE
MESURE DE PRECAUTION / REMARQUE / CONSEIL
REMARQUE:
Vérifier les fusibles pour les circuits liés à ce système avant d'effectu ...