DESCRIPTION
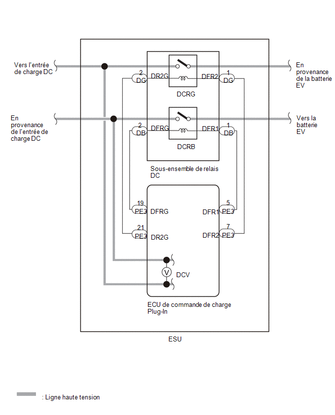
Le capteur de tension DC (capteur de tension d'entrée de charge DC) détecte la tension entre les relais de charge DC (DCRB (côté +), DCRG (côté -) et la signale à l'ECU de commande de charge plug-in via la ligne de signal DCV pour détecter les anomalies.
|
N° de DTC |
Objet de la détection |
Condition de détection de DTC |
Zone incriminée |
Indication d'avertissement |
|---|---|---|---|---|
|
P30C811 |
Court-circuit à la masse du relais positif de charge rapide DC |
Toutes les conditions suivantes sont remplies simultanément pendant 1000 ms minimum:
(logique de détection à 1 cycle(s)) |
|
Témoin principal: Activé(e) |
|
P30C815 |
Coupure ou court-circuit à la batterie auxiliaire dans le circuit du relais positif de charge rapide DC |
Dysfonctionnement du circuit de fonctionnement DFR1 (relais de charge rapide (DCRG (côté +)) Malgré une commande de débranchement (OFF), la connexion de relais (ON) est émise (logique de détection à 1 cycle(s)) |
|
Témoin principal: S'active |
PERIODE TEST DE CONFIRMATION
CONSEIL:
Une fois la réparation terminée, effacer les DTC et vérifier si le véhicule est revenu à la normale en effectuant la procédure de vérification "All Readiness".
Cliquer ici .gif)
CONSEIL:
SCHEMA DE CABLAGE

MESURE DE PRECAUTION / REMARQUE / CONSEIL
ATTENTION:
Se reporter aux mesures de précaution avant de vérifier le circuit haute tension.
Cliquer ici .gif)
REMARQUE:
Après avoir mis le contacteur d'allumage en position OFF, un délai d'attente avant de débrancher le câble de la borne négative (-) de la batterie auxiliaire peut être requis. Par conséquent, veiller à lire les mesures de précaution concernant le débranchement du câble de la borne négative (-) de la batterie auxiliaire avant de poursuivre le travail.
Cliquer ici .gif)
PROCÉDURE
|
1. |
VERIFIER LE DTC EMIS (BATTERIE EV) |
(a) Sélectionner les menus suivants:
Powertrain > EV Battery > Trouble Codes
(b) Vérifier les DTC.
Résultat:
|
Résultat |
Passer au point |
|---|---|
|
Les DTC du système de batterie hybride ne sont pas émis |
A |
|
Les DTC du système de batterie hybride sont émis. |
B |
(c) Mettre le contacteur d’allumage en position OFF.
| B | ![]() |
PASSER AU TABLEAU DES DTC (SYSTEME DE BATTERIE HYBRIDE) |
|
|
2. |
VERIFIER SI DES DTC SONT EMIS (COMMANDE DE PLUG-IN) |
(a) Sélectionner les menus suivants:
Powertrain > Plug-in Control > Trouble Codes
(b) Vérifier les DTC.
Résultat:
|
Résultat |
Passer au point |
|---|---|
|
Seul le DTC P30C811 ou P30C815 est émis, ou des DTC à l'exception de ceux figurant dans le tableau ci-dessous sont également émis |
A |
|
Les DTC du système de commande de charge plug-in des tableaux ci-dessous sont émis. |
B |
|
Système |
DTC concerné |
|
|---|---|---|
|
Système de commande de charge plug-in |
P313F11 |
Court-circuit à la masse du relais négatif de charge rapide DC |
|
P313F15 |
Coupure ou court-circuit à la batterie auxiliaire dans le circuit du relais négatif de charge rapide DC |
|
CONSEIL:
| B | ![]() |
PASSER AU TABLEAU DES DTC (SYSTEME DE COMMANDE DE CHARGE PLUG-IN) |
|
|
3. |
EFFACER LES DTC |
(a) Effacer les DTC à l'aide du GTS.
Powertrain > Plug-in Control > Clear DTCs
|
|
4. |
EFFECTUER LA FONCTION UTILITY (DC RELAY DIAGNOSIS) |
Cliquer ici .gif)
|
|
5. |
VERIFIER SI DES DTC SONT EMIS (COMMANDE DE PLUG-IN) |
(a) Sélectionner les menus suivants:
Powertrain > Plug-in Control > Trouble Codes
(b) Vérifier les DTC.
Résultat:
|
Résultat |
Passer au point |
|---|---|
|
Seul le DTC P30C811 ou P30C815 est émis, ou des DTC à l'exception de ceux figurant dans le tableau ci-dessous sont également émis |
A |
|
Les DTC du système de commande de charge plug-in des tableaux ci-dessous sont émis. |
B |
|
Système |
DTC concerné |
|
|---|---|---|
|
Système de commande de charge plug-in |
P313F11 |
Court-circuit à la masse du relais négatif de charge rapide DC |
|
P313F15 |
Coupure ou court-circuit à la batterie auxiliaire dans le circuit du relais négatif de charge rapide DC |
|
CONSEIL:
| B | ![]() |
PASSER AU TABLEAU DES DTC (SYSTEME DE COMMANDE DE CHARGE PLUG-IN) |
|
|
6. |
RELEVER LA VALEUR A L'AIDE DU GTS (DC RELAY DIAGNOSIS) |
(a) Sélectionner les menus suivants:
Powertrain Plug-in Control Utility
|
Affichage du tester |
|---|
|
DC Relay Diagnosis |
(b) Relever la Data List.
Résultat:
|
Résultat |
Passer au point |
|---|---|
|
Echec |
A |
|
Normal |
B |
|
Anormal |
C |
REMARQUE:
Si le résultat du diagnostic est "Fail", le diagnostic de soudure du relais DC est incomplet, il est donc nécessaire d'effectuer à nouveau le diagnostic de soudure.
| A | ![]() |
PASSER AU POINT 4 |
| C | ![]() |
REMPLACER LE SOUS-ENSEMBLE DE RELAIS DC |
|
|
7. |
VERIFIER LE FAISCEAU DE CABLES ET LE CONNECTEUR (ECU DE COMMANDE DE CHARGE PLUG-IN - SOUS-ENSEMBLE DE RELAIS DC) |
ATTENTION:
Veiller à porter des gants isolants.
(a) S'assurer que le service plug (prise de service) n'est pas posé.
REMARQUE:
Après avoir déposé le service plug (prise de service), ne pas mettre le contacteur d'allumage en position ON (READY), sauf si précisé dans le manuel de réparation, car cela peut entraîner un dysfonctionnement.
(b) Retirer l'ESU du véhicule.
(c) Débrancher le connecteur d'ECU de commande de charge plug-in.
REMARQUE:
(d) Débrancher le connecteur du sous-ensemble de relais DC.
REMARQUE:
(e) Mesurer la résistance en fonction de la (des) valeur(s) indiquée(s) dans le tableau ci-dessous.

|
*a |
Vue avant du connecteur côté faisceau de câbles (vers l'ECU de commande de charge plug-in) |
*b |
Vue avant du connecteur côté faisceau de câbles (vers le sous-ensemble de relais DC) |
Résistance standard:
|
Branchement du tester |
Condition |
Condition spécifiée |
|---|---|---|
|
PE3-5 (DFR1) - DB-1 (DFR1) |
Contacteur d'allumage en position OFF |
En dessous de 1 Ω |
|
PE3-19 (DFRG) - DB-2 (DFRG) |
Contacteur d'allumage en position OFF |
En dessous de 1 Ω |
|
PE3-5 (DFR1) ou DB-1 (DFR1) - Masse de carrosserie et autres bornes |
Contacteur d'allumage en position OFF |
10 kΩ ou plus |
|
PE3-19 (DFRG) ou DB-2 (DFRG) - Masse de carrosserie et autres bornes |
Contacteur d'allumage en position OFF |
10 kΩ ou plus |
(f) Rebrancher le connecteur du sous-ensemble de relais DC.
(g) Rebrancher le connecteur d'ECU de commande de charge plug-in.
| OK. | ![]() |
REMPLACER L'ECU DE COMMANDE DE CHARGE PLUG-IN |
| NON OK | ![]() |
REMPLACER LE FAISCEAU DE CABLES ET LE CONNECTEUR |
Court-circuit dans le circuit de consommation du circuit de charge à haute tension
Court-circuit à la masse du relais négatif de charge rapide DCTableau Des Symptomes De Problemes
TABLEAU DES SYMPTOMES DE PROBLEMES CONSEIL: Utiliser le tableau ci-dessous pour déterminer la cause des symptômes du problème. Si plusieurs zones incriminées sont énumérées, les causes éventuelles des symptômes sont présentées par ordre de probabilité dans la colonne "Zone incriminée" d ...
La méthode d'identification du conducteur ne peut pas être réglée
DESCRIPTION Lorsqu'une attribution de réglage est effectuée à l'aide de l'écran multifonction, le système de clé intelligente (pour la fonction intelligente) / le système de clé numérique*1, le système audio et vidéo*2 ou le système de navigation*3 utilise l'appareil lors de la recherche ...
Depose
DEPOSE MESURE DE PRECAUTION / REMARQUE / CONSEIL
Les procédures nécessaires (réglage, calibrage, initialisation ou enregistrement) qui doivent être effectuées une fois que les pièces ont été déposées et reposées ou remplacées lors de la dépose/repose de l'ensemble de bras de suspensio ...